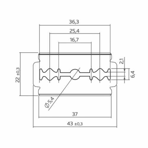
Gillette-slotted blade

Gillette type industrial blades are widely used by industries. Gillette-slotted industrial cutter blades can be easily fixed in the blade holder of an industrial cutting machine to slit materials such as plastic film, laminated film, foil, textile materials, and adhesive tape. Sollex manufactures industrial blades of high quality materials that guarantee a fine and clean cut in the production and slitting of the final material. Sollex supplies premium industrial razor blades for the converting industry.

Worldwide shipping. Orders for the stocked product made before 13.00 are usually shipped the same day. Read more on our Order & Delivery page If you can't find what you're looking for you're very welcome to get in touch with us at +46 35-157500 or info@sollex.se.

Industrial razor blades with Gillette hole

Industrial razor blades are used to convert manufactured materials. Gillette-slotted razor blades are also used in the razor slitting method.

Industrial razor blades similar to Gillette blades (also known as Gillette-type industrial razor blades) are used to convert manufactured materials. Razor blade cutting is a method used to cut material into narrow strips or slices using an industrial razor blade when a fine cut is desired. The industrial razor blade can produce precise cuts with minimal waste and is well suited for applications that require high accuracy and precision. "Razor slitting" can be easily adapted to almost any cutting process.

We have 0.08mm, 0.10mm, 0.13mm, 0.20mm, 0.30mm thick industrial cutter blades.

Gillette-slotted industrial cutter blades for razor slitting

Sollex art.nr

Name

Dimensions, mm

Pack., pcs

3-008

Industrial razor blade 0.08 mm - Gillette hole

43*22*0.08

100

3-010

Industrial razor blade 0.10 mm - Gillette hole

43*22*0.10

400

3

Industrial razor blade 0.13 mm - Gillette hole

43*22*0.13

200

3-020

Industrial razor blade 0.20 mm - Gillette hole

43*22*0.20

200

3-030

Industrial razor blade 0.30 mm - Gillette hole

43*22*0.30

10


Buy Premium Quality Industrial Razor Blades Online

If you are interested in our industrial razor blades, please request a free quotation by contacting us at info@sollex.se for more information. For custom specifications, please send your drawings, samples, or detailed dimensions. 




Customer common questions and Sollex answers

What is the typical delivery time for Sollex standard products?

Standard knives that are in stock will be shipped the same day if an order is placed before 1 pm on weekdays. Within Sweden, delivery takes one to two business days with Schenker. Two to five working days inside Europe with UPS. Our goal is always to deliver to your address as quickly as possible.

What is the typical delivery time for Sollex custom-made knives?

You will be given a delivery time, which typically ranges from 4 to 9 weeks, if you request customized machine knives or industrial blades that are not in stock at the time of purchasing. Find Sollex Purchase & Delivery Conditions here.

What payment methods do you accept, and do you offer credit terms for business customers?

All first orders from new customers are prepaid. Further orders can be paid by invoice with 30 days payment term.

How can I track my order after purchase?

Once your order is confirmed and shipped, you will receive a tracking number, which you can track.

Do you offer custom sizes or specialized blade shapes?

Sollex primarily sells machine knives of standard size and form that comply with the EOM. Industrial knives are available in a variety of forms, including top dished, bottom circular knives, serrated / toothed knives, circular perforating knives, straight knives, guillotine knives, pointed tip knives, rectangular razor blades, and trapezoidal blades. 

We do, however, create bespoke knives of non-standard size and shape when a drawing or explicit request is provided. For example, we can manufacture solid tungsten carbide machine knives in a variety of non-standard forms with ultra-precise and extreme tolerances, which is very useful in the MedTech industry.

How do I choose the right blade for my specific machine or application?

When contacting a knife manufacturer to order knives for machines and slitters, providing accurate inquiries and detailed information is critical to ensure you receive industrial knives that meet the needs of your slitting, converting operations and the material you will be cutting. 

If you are ordering custom machine knives from Sollex, make sure you know the exact knife dimensions, material and mounting specifications. A drawing and a worn sample for analysis are useful. If not available a photo with clear dimensions can work. Identify in your request the current cutting problems you are currently experiencing with the cutting knife you are seeking to replace. If in doubt, our experts can help you find the right knife based on your machine model and cutting needs.

Can I get a sample or test blade to ensure compatibility with my equipment?

To help you pick the best blade, Sollex may give you several sample blades to test in production. For cutting and converting flexible materials like plastic film, foil, vinyl, paper, and others, we provide converting blades including slotted slitter blades and razor blades with three slots. Send us a query if you're interested in machine blades, and we'll provide you with an offer. Samples for custom-made knives are not available but you are most welcome to order the minimum order quantity.

Can I set up a recurring order for blades I purchase frequently?

Actually, our clients and industry partners often place recurrent orders for industrial knives with predetermined delivery dates. We ensure your production process runs well by manufacturing and delivering machine knives and blades on schedule. The most important thing is to tell us the volume of required knives and deadlines and we will prepare a warehouse supply guarantee.

Do you offer technical support or consultation to help with product selection?

Sollex sales may technical assistance and guidance on choosing a slitting knife in addition to assessing and creating the best cutting solution for your application. You can consult via phone, mail, or video conference. To do this, send an email to order@sollex.se.

What is your return or warranty policy on machine knives and blades?

Read our policy on returns and claims on the “Complaint & Return” page.

How should I store unused blades to maintain their quality?

There are a number of ways that will prolong the longevity and shelf life of your industrial knives and blades in stock. Read about how proper packaging of machine knives, storage conditions, humidity and air temperature, and additional coatings will protect your knives and maintain their cutting performance here.




JavaScript seem to be disabled in your browser.

You must have JavaScript enabled in your browser to utilize the functionality of this website.